UL 277v to 12v 30watt led driver junction box outdoor using
Meet high safe standard, Smarts UL led driver junction box is pupular in north American. The strain relief is 22cm that suitable for most application. It can drive all 12v led lights, GLLS LED lighting box is an option.
Specification
|
model |
SMT-012-030VWJ (1.0 version) SMT-012-030VWJV2 (2.0 version) |
SMT-024-030VWJ (1.0 version) SMT-024-030VWJV2 (2.0 version) |
||
|
Output |
DC Voltage |
12VDC |
24VDC |
|
|
Voltage Accuracy |
±5% |
±5% |
||
|
Rated current |
2.5Amp |
1.25Amp |
||
|
Rated power |
30W |
30W |
||
|
Voltage Regulation |
±0.5% |
|||
|
Load Regulation |
±1% ±1% |
|||
|
Input |
Voltage Range |
100-277VAC |
||
|
Frequency Range |
47-63Hz |
|||
|
Power Factor (Typ.)@ full load |
0.99@120V ;0.98@230V ;0.98@277V |
0.99@120V ; 0.98@230V ;0.96@277V |
||
|
THD (Typ.)@ full load |
<15% @120V <20%@230V <20% @277V |
|||
|
Efficiency(Typ.)@ full load |
80%@120V 79%@230V 81%@277V |
82%@120V 82%@230V 81%@277V |
||
|
AC Current(Max.) |
0.5A (100VAC) |
|||
|
Inrush Current (Typ.) |
7A,50% ,420us @120V ;30A,50% 90us@230V ;12A 50% 480us@277V |
|||
|
Leakage current |
<0.50mA |
|||
|
Protection |
Short Circuit |
shut down o/p voltage, re-power on to recover afterfault condition removed |
||
|
Over Loading |
≤120% shut down o/p voltage, re-power on to recover |
|||
|
Over temperature |
100℃±10℃ shut down o/p voltage,automatically recover after cooling.
|
|||
|
Environment |
Working TEMP. |
-40~+60℃ (see below derating curve) |
||
|
Working Humidity |
20~90%RH, non-condensing |
|||
|
Storage TEMP. Humidity |
-40~+80℃,10~95%RH |
|||
|
TEMP .coefficient |
±0.03%/℃(0~50℃) |
|||
|
Vibration |
10~500Hz,5G 10min./1 cycle, period for60min. each along X,Y,Z axes |
|||
|
Safety&EMC |
Safety standards |
UL8750+UL1310 |
||
|
Withstand voltage |
I/P-O/P:1.88KVAC |
|||
|
Isolation resistance |
I/P-O/P:100MΩ/500VDC/25℃/70%RH |
|||
|
EMC EMISSION |
FCC Part 15 B |
|||
|
Others |
Weight |
0.95Kg |
||
|
Size |
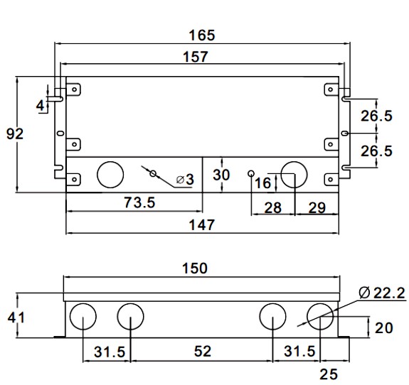
1.0 version: 165*92*40mm / 2.0 version: 165*94.5*40mm (L*W*H) |
|||
|
packing |
355*215*215mm /10PCS/CTN
|
|||
|
Notes |
1. All parameters NOT specially mentioned are measured at 110VAC input, Rated load and 25℃of ambient temperature. 2. Tolerance:includes set us tolerance,line regulation and load regulation . |
|||
■ Mechanical Specification
Unite: mm
Tolerance:P 0.5-2mm
1.0 version: SMT-012-030VWJ / SMT-024-030VWJ
2.0 version: SMT-012-030VWJV2 /SMT-024-030VWJV2
※Input power cord: 18AWG Black and White to be connected to AC L and N ,Green wire go ground
※Output power cord: 16AWG, Red to LED Positive side (+) , Black to LED Negative side (-).
Derating Curve
l Load carried in accordance with the load derating curve, according to the ambient temperature derating, in order to extend the service life
Connecting Diagram
1)
2)
Instruction
※This driver should be installed by qualified and professional person;
※Please make sure the driver is installed with adequate ventilation around it to allow for heat dissipation.
※Ensure that wiring is correct before test in order to avoid light and power supply damage;
※If the LED drivers do not work normally, pl. don’t maintain privately, but contact us: sales9@smartselectronics.com Or take a phonecall: 0086-595-28863721 ext.808 to get technical support .
Compatible Light Type
Smarts 12v led driver 30 watt is given 7 years warranty. Perfect for various kinds of 12v led lights. It is suitable for indoors and outdoors application with Ustellar RGB strip lights.
Related Products
The UL led driver 12v has the same output power 30watt and output current 2.5a. Plastic housing for indoors using.
Mode:SMT-012-030VWN |
















