0-10v/1-10v dimmable led driver ic 300w constant voltage
The features of Smarts 300w led driver include lightning protection, over voltage protection, over current protection, short circuit protection and over temperature protection, which are workable for Acuity Brands strip lights UL Listed with 7 years warranty.
Specification
|
Model |
SMT-012-300VDHJ (1.0 version) SMT-012-300VDHJWV2 (2.0/3.0 ver.)
|
SMT-024-288VDHJ (1.0 version) SMT-024-288VDHJWV2 (2.0/3.0 ver.)
|
||
|
Output |
DC Voltage |
12VDC |
24VDC |
|
|
Voltage Tolerance |
±0.5V |
|||
|
Voltage Regulation |
±0.5% |
|||
|
Load Regulation |
±1% ±1% |
±1%
|
||
|
Rated current |
5*5A |
3*4A |
||
|
Rated power |
300W |
288W |
||
|
Input |
Voltage Range |
100-277VAC |
||
|
Frequency Range |
47-63Hz |
|||
|
Power Factor(Typ.)@ full load |
0.99@120VAC 0.95@277VAC |
0.99@120VAC 0.95@277VAC |
||
|
THD(Typ.)@ full load |
<20% |
<20% |
||
|
Efficiency(Typ.)@ full load |
87%@120V 91%@277VAC 79% |
85%@120V 90%@277VAC
|
||
|
AC Current(Max.) |
3.4A@100VAC |
3.6A@100VAC |
||
|
Inrush Current (Typ.) |
35A ,50%,960us @120VAC ; 43A,50%,1ms @277VAC 12.4A (twidth=430us) @277VAC |
|||
|
Leakage current |
<0.50mA |
|||
|
Protection |
Short Circuit |
shut down o/p voltage, re-power on to recover after fault condition is removed |
||
|
Over Loading |
≤120% Hiccup mode ,recovers automatically after fault condition is removed |
|||
|
Over temperature |
100℃±10℃ shut down o/p voltage, automatically recover after cooling. |
|||
|
Environment |
Working TEMP. |
-40~+60℃ (see below derating curve) |
||
|
Working Humidity |
20~90%RH, non-condensing |
|||
|
Storage TEMP. Humidity |
-40~+80℃,10~95%RH |
|||
|
TEMP .coefficient |
±0.03%/℃(0~50℃) |
|||
|
Vibration |
10~500Hz, 5G 10min./1 cycle,period for 60min. each along X,Y,Z axes |
|||
|
Safety&EMC |
Safety standards |
UL8750+UL1310 |
||
|
Withstand voltage |
I/P-O/P:1.88KVAC |
|||
|
Isolation resistance |
I/P-O/P:100MΩ/500VDC/25℃/70%RH |
|||
|
EMC EMISSION |
FCC 47 CFR Part 15 ,Subpart B |
|||
|
Others |
Weight |
2.2Kg(1.0 version) |
||
|
Size |
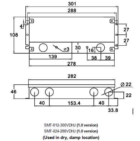
1.0 version: 301*108*46mm (L*W*H) 2.0 version: 301*140*45mm (L*W*H) / 3.0 ver.: 301*110*45mm (L*W*H) |
|||
|
packaging |
Carton:365*250*245mm, Packaging: 10pcs /CTN G.W.:26.6KG/CTN |
|||
|
Notes |
1. All parameters if NOT specially mentioned are measured at 120VAC input , rated load and 25℃of ambient temperature. 2. To extend the driver's using life ,please reduce the loading at lower input voltage. |
|||
Mechanical

Derating Curve

Connecting Diagram

Application
SMT-012-300VDHJ dimmable led driver ic will provide up to 300W of output power and a maximum output current of 25A to drive 12v 120w could drive Acuity Brands Linear lights for warehousing.
Related Products
24v 30w ETL/CE listed led strip driver with 0-10v dimming mode, constant voltage working mode, 5 years warranty...
Mode:SMT-024-030VD intput voltage:100~265VAC Size : 262*29*20mm Working mode: constant voltage Dimming mode: 0-10v/pwm dimming Plastic case IP20 |
















